尊龙凯时

TORQUE MULTIPLIERS

Product sheet Return to list

Multiple connection methods
Made with special process to ensure stable output
The products marked with * are special products

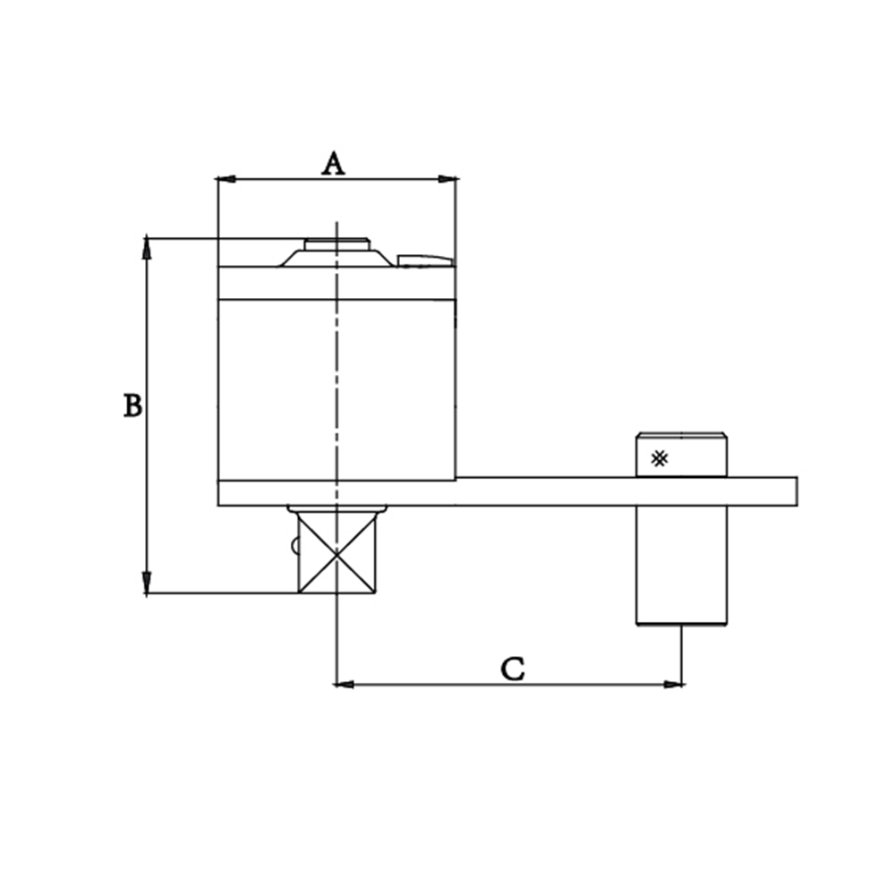
  • PART# CONTENTS
    (N.m)
    WEIGHT
    (kg)
    A
    (mm)
    B
    (mm)
    C
    mm)
    DRIVE-OUT PUTMULTIPLE PROPORTIONSREACTION ARM WEIGHT
    (kg)
    PACKING QUANTITY
  • E0993 10008.21189882—1961/2"—3/4"1:51.21
  • E0994 15008.711811582—1961/2"—1"1:51.21
  • E0992* 250010.111815082—1961/2"—1"0.0590277777777781.21
  • E0995* 350010.311816482—1961/2"—11/2"0.0590277777777781.21
  • E0996* 400011.211817682—1961/2"—11/2"0.0590277777777781.21
  • E0997* 600021.3140214105—2541/2"—11/2"0.05902777777777831
  • E0998* 800031182228125—2941/2"—11/2"0.05902777777777831